
To address the core pain points of public restrooms, such as persistent odors, easy bacterial growth, and high cleaning frequency, a city in Singapore introduced Little Duck hypochlorous acid as its core product and customized a highly efficient and adaptable integrated solution for public restroom disinfection and deodorization. This technology empowers the upgrading of the public health environment and enhances the city's refined governance level.


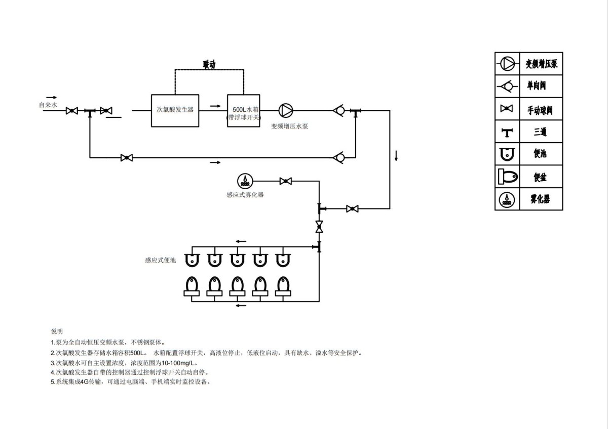
The core of this solution is a small-scale hypochlorous acid generator from Little Duck, combined with an automatic sensor-based spraying system, perfectly suited to the limited installation space required in public restrooms. The compact size of the equipment saves space, requires no complex modifications to existing facilities, and allows for rapid deployment, significantly reducing construction and maintenance costs. Utilizing Little Duck's medical-grade hypochlorous acid disinfection technology, it precisely controls the effective chlorine concentration, achieving simultaneous and efficient disinfection and deodorization. A single application provides effects lasting 6-8 hours, effectively oxidizing and decomposing odor molecules and killing pathogens at their source, achieving a sterilization rate of over 99.99%.
Furthermore, Little Duck's hypochlorous acid is slightly acidic, non-irritating, and leaves no residue, making it safe and environmentally friendly during use, with no secondary pollution. It not only completely solves the persistent odor problem in public restrooms but also effectively reduces the risk of bacterial growth, significantly decreasing the frequency and intensity of manual cleaning, thus achieving a dual improvement in the environmental quality and operational efficiency of public restrooms. This solution provides an efficient and replicable practical model for urban public space sanitation management.

NEWS





Leave us a message